| 注意:访问本站需要Cookie和JavaScript支持!请设置您的浏览器! • 打开购物车 • 查看留言 • 付款方式 • 联系我们 |
![]() |
| 首页 | 电子入门 | 学单片机 | 免费资源 | 下载中心 | 商品列表 | 象棋在线 | 在线绘图 | 加盟五一 | 加入收藏 | 设为首页 |
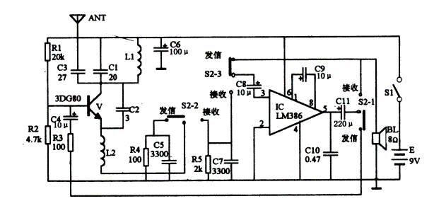
| 选择分类:当前分类——电子制作 相关联或者相类似的文章: 多媒体Hi-Fi功放DIY(166) 鼠标失控的解决方法(165) LM1875的应用(164) 为何节能灯不省钱(160) 单片机上网计时器(150) 双50W数字功放TDA8902J(146) 无线电波的传播特性(146) 是否该给无线输电模块的电路图?(141) 抢答器电路需改进(138) 为功放增加声控散热风扇(132) LM386功放集成电路的应用(127) TL431配合TOPSwitch-Ⅱ的正确用法(123) 皮包公司骗术全揭密!(118) 打破移动通信霸权,争取公民合法权益(117) 金属探测器制作说明(117) 连续可调的正负对称的稳压电源(112) Easy 51Pro 单片机编程器的制作与使用(112) 自制电热毯无级调温器(111) 自制多功能LED电子钟和多功能定时器(111) 大幅度增加555定时时间一法(108) 首页 前页 后页 尾页 本站推荐: | 调频对讲机电路
1、 本站不保证以上观点正确,就算是本站原创作品,本站也不保证内容正确。 2、如果您拥有本文版权,并且不想在本站转载,请书面通知本站立即删除并且向您公开道歉! |
|
本站协议 |
版权信息 |
关于我们 |
本站地图 |
营业执照 |
发票说明 |
付款方式 |
联系方式
深圳市宝安区西乡五壹电子商行——粤ICP备16073394号-1;地址:深圳西乡河西四坊183号;邮编:518102 E-mail:51dz$163.com($改为@);Tel:(0755)27947428 工作时间:9:30-12:00和13:30-17:30和18:30-20:30,无人接听时可以再打手机13537585389 |